cnc加工中心
联系方式
全国服务热线: 0769-82068522

联系人:任先生 13580990562
            杨先生 13431535226
电  话:0769-82068522)
            0769-82068522转813
传  真:0769-82068523
E-Mail:he@wanfuxin.com
地址:广东省东莞市清溪镇罗马村罗马工业区

数控车床车削加工Q235钢球体工艺卡

发布时间:2020-08-05   作者:万富鑫

数控车床车削加工Q235钢球体工艺卡
万富鑫
数控车床加工工艺卡 产品型号 零件号 零件名称 件数 第1页
实训产品 CG002 球体 1件 共1页
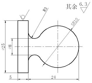
零件加工路线 数控车床车削加工Q235钢球体工艺卡 零 件 规 格
车间
D-3
工序 材料 Q235钢    Φ25圆棒
库房 下料 重量 0.14 kg
车工 去毛刺 毛坯料尺寸:
Φ25×34mm
车工 粗车 零件技术要求
车工 精车 1. 表面无毛刺
车工 去毛刺
检验室 检验
序号 工步
名称
设备名称 设备
型号
工具编号 工具
名称
工序内容 单位工时 备注
1 找正 夹紧 普     通     车      床 CA6136   三爪卡盘、卡盘、刀架扳手 夹持毛坯外圆伸出40找正夹紧 2min  
2 划线   普通R圆弧刀、锉刀等 划线长分别为10、20、24处 2min  
3 切槽   圆弧刀在20至24长位置上移动切槽至Φ8 5min  
4 车球面   车前面R10,车后面R10 15min R规R10
5 锉光切断   用锉刀锉光球面后到总长切断,去毛头 5min  
6 检验       0~150mm游标卡尺 5min  
编制 张新华 审核   批准   会签   编制日期 2005.5

热门标签:数控车床车削加工Q235钢球体工艺卡
米兰足球中国有限公司 | CNC加工产品 | CNC加工设备 | CNC加工新闻 | 品质管理 | 关于我们 | 联系我们 |
米兰足球中国有限公司

联系人:任先生 13580990562
            杨先生 13431535226
电  话:0769-82068522
            0769-82068522转813
传  真:0769-82068523
E-Mail:he@wanfuxin.com
地址:广东省东莞市清溪镇罗马村罗马工业区

米兰足球中国有限公司是集研发、生产、销售于一体的cnc加工厂家,包括数控车床加工,电脑锣加工,五轴机加工,cnc机加工,车床件,非标cnc加工,数控车床加工,cnc精密机械加工,cnc精密加工,铝加工定制等服务,并拥有完整、科学的数控加工质量管理体系。

Copyrights 2016-2020米兰足球中国有限公司 All Rights Reserved 备案号: 粤ICP备19145442号-1 网站地图网站地图网站地图